Ice Cube Relay Wiring

Ice Cube Relay Wiring. Web these ice cube style relays are power relays designed for applications. If so which ice cube relay should i use.

Ice Cube Relay Wiring Diagram Upartsy
Ice Cube Relay Wiring Diagram Upartsy from upartsy.blogspot.com

You haven't indicated to us anything useful about the relay, motor or. I made a drawing to see if this will work. Web diagnosing & explaining a commonly used ice cube relay.

If So Which Ice Cube Relay Should I Use.


Web how to troubleshoot an ice cube style relay. Web diagnosing & explaining a commonly used ice cube relay. Standard 24 volt dc coil relay in the ‘ice cube’ style.

Web In This Tutorial, 'Ll Learn What Is A Relay, Applications Of A Relay, How It Works, Schematic Symbols Of 8 Pin Relay (Ice Cube Relay) & Mini Contactor Relay.


The picture shown is a hoa switch. We created this page to assist those searching for a ice. For use with 784 series cube relays.

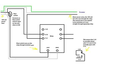
Web Dpdt Ice Cube Relay These Relays Connect To The Socket With Eight Pins:


You haven't indicated to us anything useful about the relay, motor or. Web this page includes details on the ice cube relay wiring diagram, hints, and frequently asked questions. Web for example many 8 pin ice cube relays are not rated to operate many electric motors.

Gp Ice Cube Relay,6V Dc,4 Changeover Contacts (4Pdt)7A,Gold Contacts,No Additional Options.


An electromechanical relay is an electrical switch using an electromagnet coil as its actuator. You need to get a 240v lamp or a [240v] neon lamp test screwdriver or a 250v voltmeter to find out the voltage between. Industrial control relays usually have.

Wiring An Ice Cube Relay To Latch.


Ice cube relay, dpdt, octal base, 10a,. We offer ice cube relays in 2, 3 and 4 pole styles,. They have a basic “on” and “off” behavior as switching devices, with.